Unknown: Implicit conversion from float 100.5 to int loses precision in /var/www/mikroprylad/mikroprylad.com.ua/system/library/image.php on line 268Unknown: Implicit conversion from float 100.5 to int loses precision in /var/www/mikroprylad/mikroprylad.com.ua/system/library/image.php on line 268Unknown: Implicit conversion from float 100.5 to int loses precision in /var/www/mikroprylad/mikroprylad.com.ua/system/library/image.php on line 268 750-963 Roz'єм польової шини CANopen; з роз'ємом D-sub (розетка); 9-полюсний; світло-сірий
0
0
Кошик
Ваш кошик порожній :(
Це ніколи не пізно виправити :)

750-963 Roz'єм польової шини CANopen; з роз'ємом D-sub (розетка); 9-полюсний; світло-сірий

750-963 Roz'єм польової шини CANopen; з роз'ємом D-sub (розетка); 9-полюсний; світло-сірий
750-963 Roz'єм польової шини CANopen; з роз'ємом D-sub (розетка); 9-полюсний; світло-сірий
750-963 Roz'єм польової шини CANopen; з роз'ємом D-sub (розетка); 9-полюсний; світло-сірий
В наявності
Артикул: 750-963
Виробник: Wago
Оплата
Доставка
Доставка Новою Поштою
Адреси найближчих відділень дивитися на карті
від
150.00 грн.
Самовивіз (м.Київ)
Самовивіз (м.Київ)
Безкоштовно

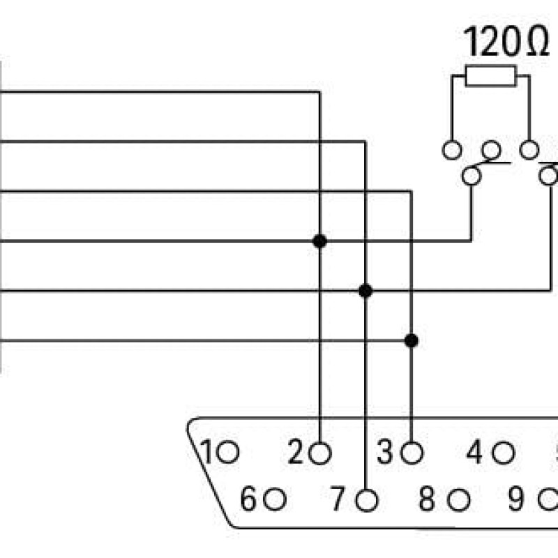
Опис 750-963 Roz'єм польової шини CANopen; з роз'ємом D-sub (розетка); 9-полюсний; світло-сірий

Цей мережевий роз'єм з'єднує пристрій CANopen з лінією CANopen.

З'єднувач польової шини має такі особливості:

  • Два горизонтальних кабельних вводи для входу і виходу
  • Швидке з'єднання CAGE CLAMP®, що не потребує обслуговування, - фіксуюча планка
    утримує затискач у відкритому положенні
  • Зовнішній перемикач для активації або деактивації мережевого оконечного резистора

Для першої та останньої станції на шині, перемикач повинен бути встановлений в положення "ON" (кінцевий резистор активований)
Для наступних станцій шини перемикач повинен бути встановлений в положення "OFF" (кінцевий резистор деактивований)

Для першої та останньої станцій шини перемикач повинен бути встановлений в положення "OFF" (кінцевий резистор деактивований)

Основні характеристики 750-963 Roz'єм польової шини CANopen; з роз'ємом D-sub (розетка); 9-полюсний; світло-сірий

Вимоги до навколишнього середовища
Вібростійкість 4 г згідно з IEC 60068-2-6
Відносна вологість (без конденсату) 95 %
Пожежне навантаження 0,95 МДЖ
Температура навколишнього середовища (експлуатація) 0 ... +60 °C
Температура навколишнього середовища (зберігання) -25 ... +85 °C
Тип захисту IP20
Дані для підключення
Довжина стрічки 5 ... 6 мм
Монолітний провідник 0,08 ... 0,5 мм² / 28 ... 20 AWG
Тип підключення 1 Клемна колодка CAGE CLAMP® з фіксатором (серія 218)
Механічні характеристики
Вага 27.6 g
Діаметр кабелю в оболонці, що підключається 4,5 ... 9,5 мм
Кабельні вводи (кількість) 2
Колір світло-сірий
Матеріал корпусу PA66-105-V2
Технічні характеристики
Зв'язок/польова шина CANopen
Кількість полюсів 9
Тип підключення Гніздо D-sub 9
Швидкість передачі 10 кБд ... 1 МБд (за специфікацією CANopen)
Фізичні дані
Висота 16 мм
Глибина 54 мм
Ширина 45 мм

Відгуки про 750-963 Roz'єм польової шини CANopen; з роз'ємом D-sub (розетка); 9-полюсний; світло-сірий

0
0
1
0%
2
0%
3
0%
4
0%
5
0%

Відгуків про цей товар ще не було.

Питання та відповіді (FAQ) 750-963 Roz'єм польової шини CANopen; з роз'ємом D-sub (розетка); 9-полюсний; світло-сірий

Немає запитань про цей товар.
750-963 Roz'єм польової шини CANopen; з роз'ємом D-sub (розетка); 9-полюсний; світло-сірий
750-963 Roz'єм польової шини CANopen; з роз'ємом D-sub (розетка); 9-полюсний; світло-сірий
Артикул:750-963
В наявності
2169.94 грн.
Нещодавно переглянуті
Артикул:PK+20004AV40.0
В наявності
Ми представляємо високоякісні односимвольні маркери на тримачах для самостійного прокладання послідо..
123.00 грн.
Артикул:PKS10MT
Під замовлення
Напівавтоматичний інструмент, який затягує стрічку до необхідного тиску за допомогою ручного ріжучог..
21589.00 грн.
icon_mes icon_teleg icon_viber icon_callback icon_email icon_instagram icon_facebook